€3,855.00
Available in approx. 14 days, delivery time 2-4 days
Product number: 17472
Product information "Kompaktboy SE 71.1 D"
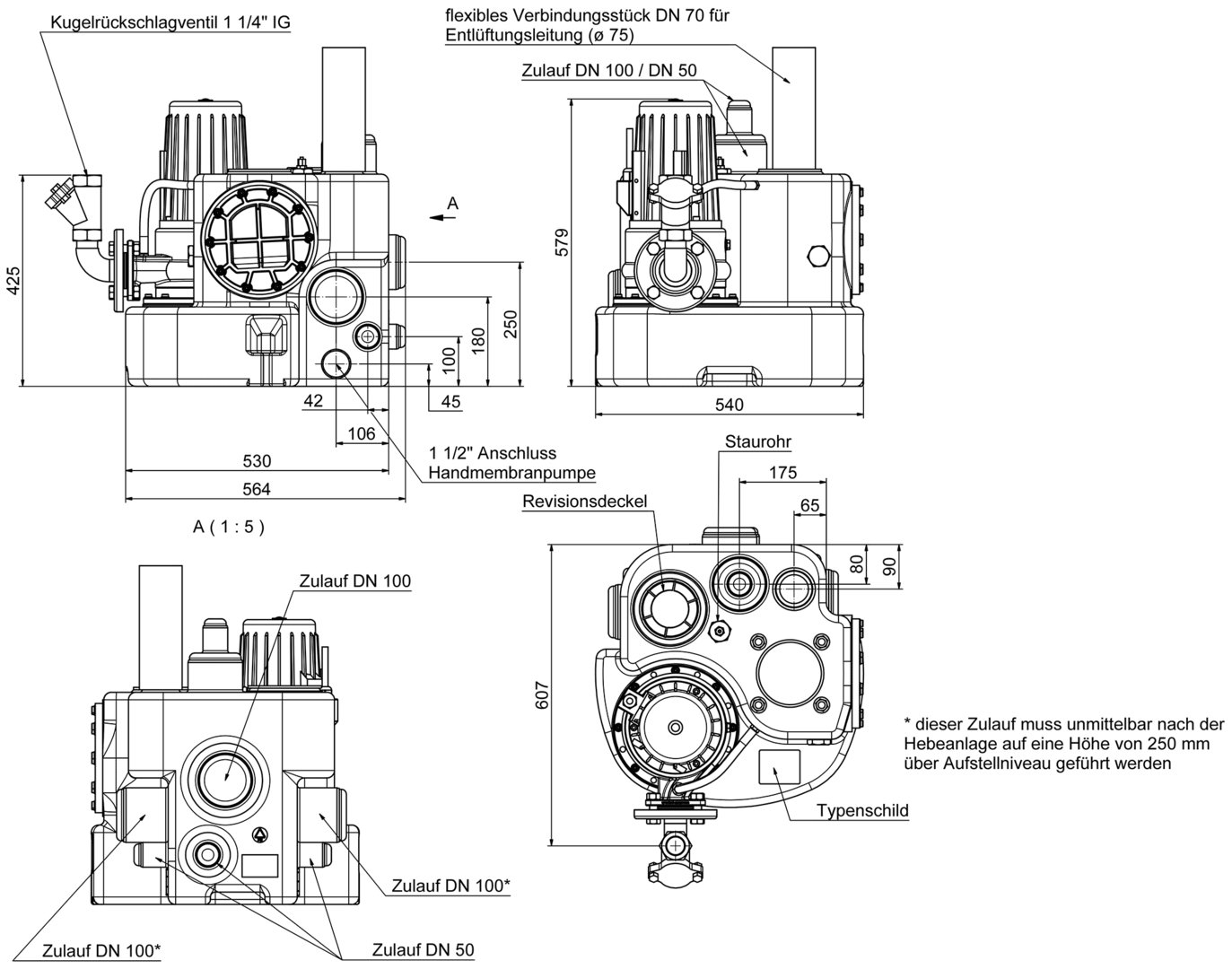
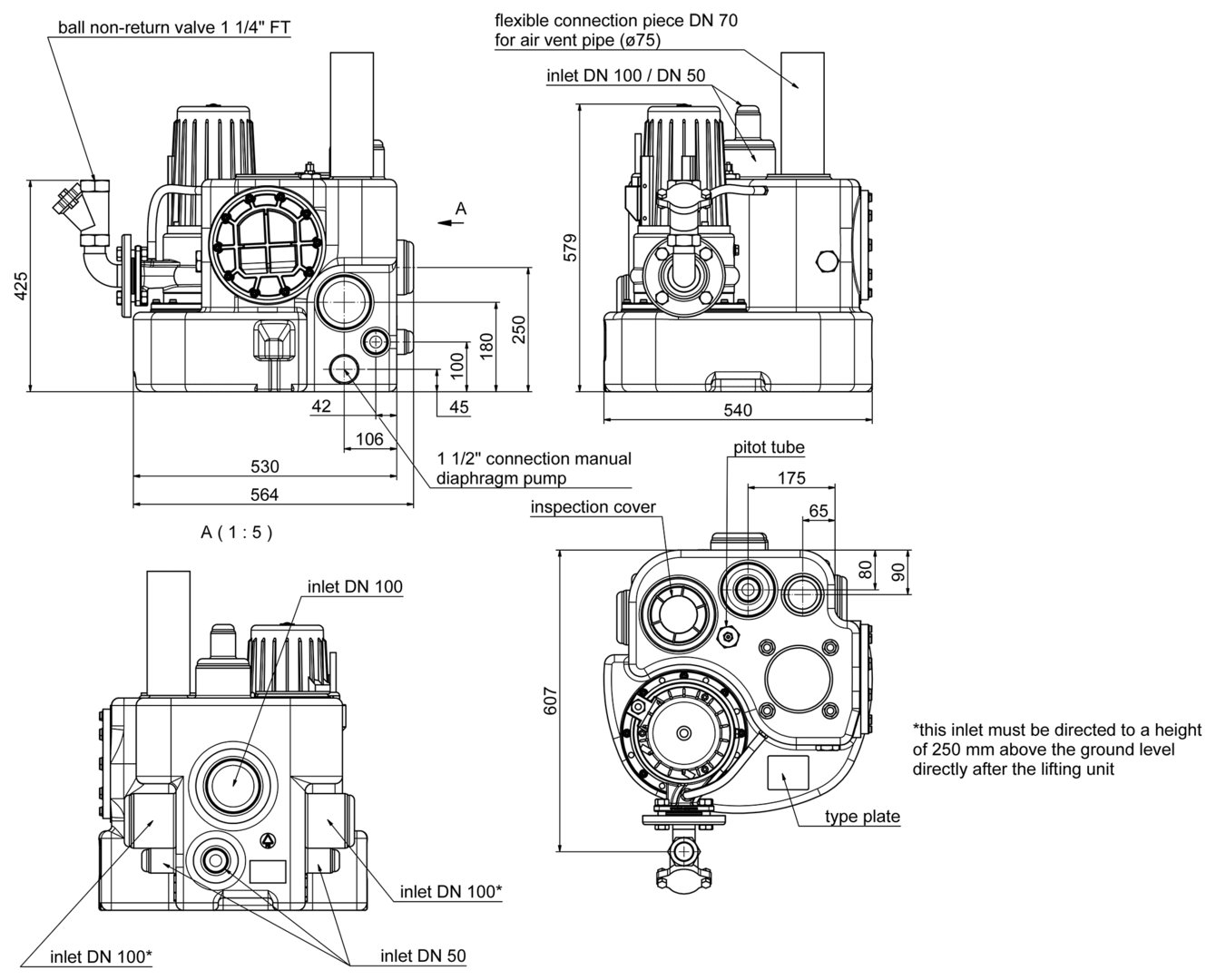
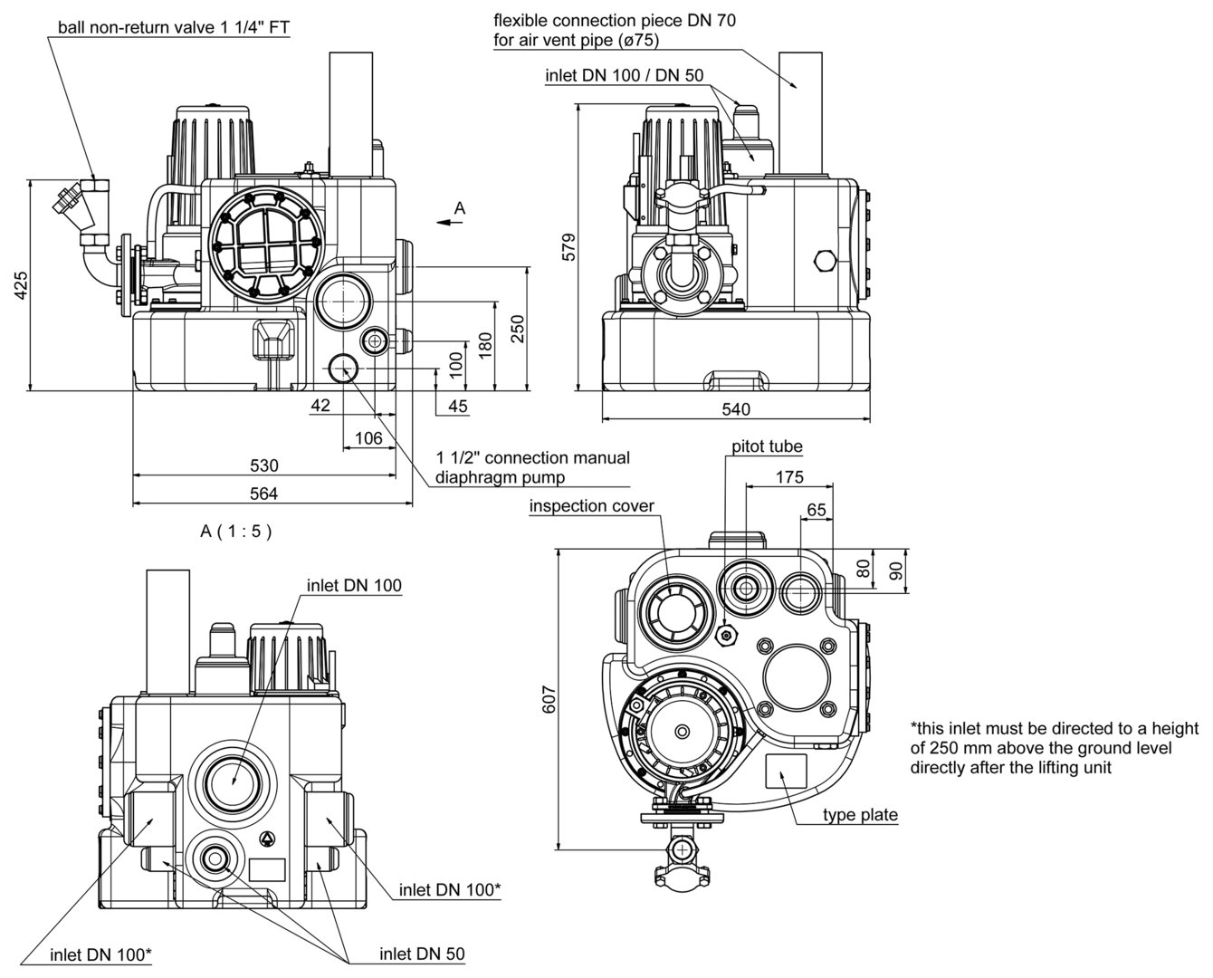
Single-pump sewage lifting unit Kompaktboy SE 71.1 D, 400 Volt, with grinder pump and comfortable level control, compact, high efficiency and low operation noise
Model
- polyethylene container with 55 litres capacity and up to 45 litres switching volume
- built-up grinder pump with robust, adjustable cutting system made of corrosion-resistant special alloy
- two mechanical seals with intermediate oil chamber
- pressure outlet flange DN 50 with flanged connecting bend and non-return ball valve 1 1/4" FPT
- inlets: 3 x lateral DN 100 and 1 x top DN 50/100
- additional connections 1 ½“ for manual diaphragm pump
- air vent DN 70 (Ø 75mm)
- operation temperature max. 55°C
- operating mode S3 - 25%
- protection grade IP 68 - fully submersible
Application
- pumping of domestic sewage from basement apartments or single-family houses for greater heads or long pressure pipes
- above-ground installation in frost-free rooms below the backflow level
- fits into manholes with a cover > Ø 590 mm
Scope of delivery
- pre-assembled lifting unit with 3,5 m connection cable to the motor and 3,5 m pneumatic tube to the control
- 90° pump connecting bend DN 50
- non-return ball valve 1 1/4" FPT
- flexible connection with tension clamps for ventilation pipe
- incl. ZPS1: comfortable, pneumatic level control with microcontroller, LCD plain text display for filling level, maintenance, operating hours, fault message and alarm signal in switchbox for indoor installation
Login
No reviews found. Share your insights with others.










