€2,448.00
Available in approx. 14 days, delivery time 2-4 days
Product number: 10461
Product information "Kompaktboy 1,5 D"
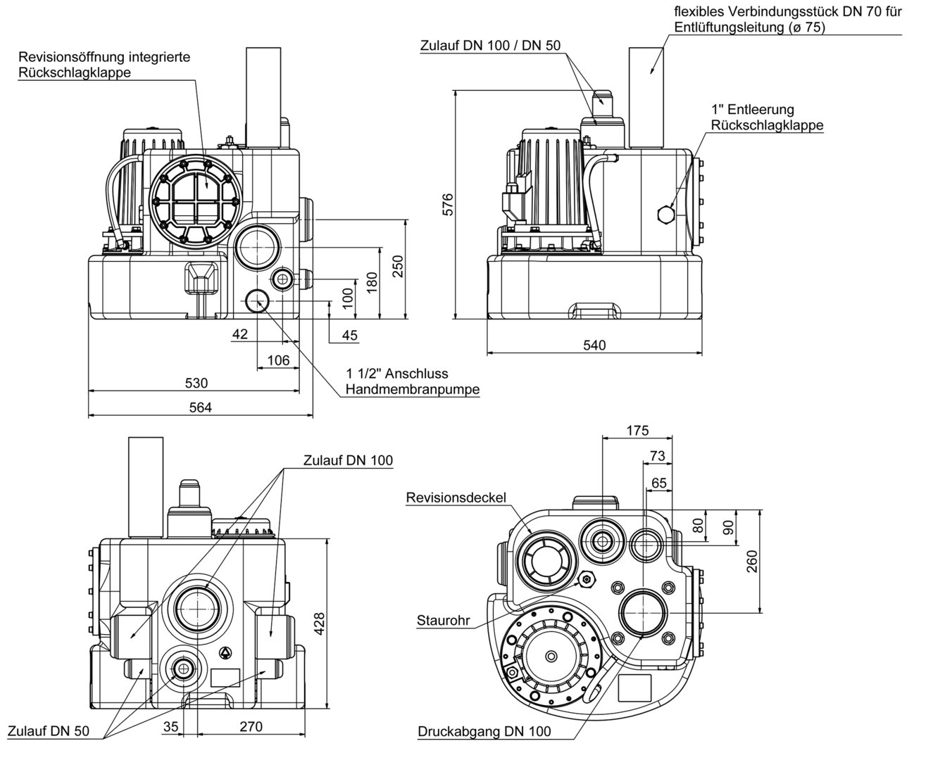
Single-pump sewage lifting unit Kompaktboy 1.5 D, 400 V, with comfortable level control, for pumping of domestic sewage
Model
- polyethylene container with 55 litres capacity and up to 45 litres switching volume
- vortex pumps with high efficiency and low operation noise
- mechanical seal and shaft seal with intermediate oil chamber
- inlets: 3 x DN 100, 3 x DN 50, 1 x DN 50/100
- additional connections 1 ½“ for manual diaphragm pump
- air vent DN 70 (Ø 75mm)
- operation temperature max. 55°C
- operating mode S3 - 25%
- protection grade IP 68 - fully submersible
- features with pneumatic pump control for single pumps
- Free passage 50 mm
- Head up to 9,9 m
- Voltage 400 Volt
Application
- pumping of domestic sewage from basement apartments, single-family houses or apartment buildings
- above-ground installation in frost-free rooms below the backflow level
Scope of delivery
- pre-assembled lifting unit with 3,5 m connection cable to the motor and 3,5 m pneumatic tube to the control with integrated non-return valve DN 100
- connection flange piece DN 100 for pressure pipe (DN 80 optional)
- flexible connection with tension clamps for pressure pipe and ventilation pipe
- incl. ZPS1: comfortable, pneumatic level control with microcontroller, LCD plain text display for filling level, maintenance, operating hours, fault message and alarm signal in switchbox for indoor installation
Login
No reviews found. Share your insights with others.












