€9,315.00
Available in approx. 14 days, delivery time 2-4 days
Product number: 17752
Product information "Kompaktboy Doppel SE 71.3 D"
Sewage lifting unit Kompaktboy Duplex SE 71.3 D, 400 Volt, with grinder pumps and comfortable level control, compact, high efficiency and low operation noise
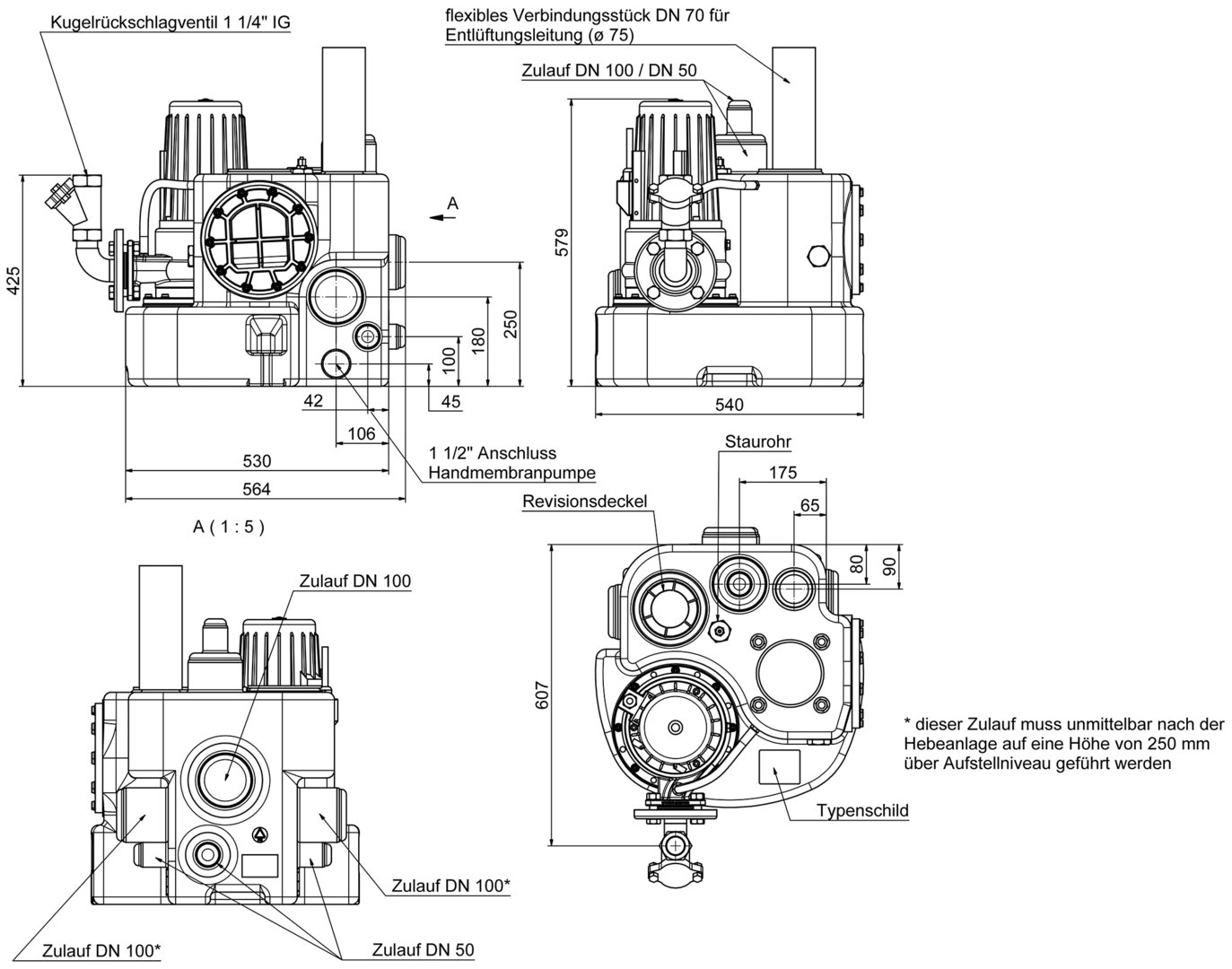
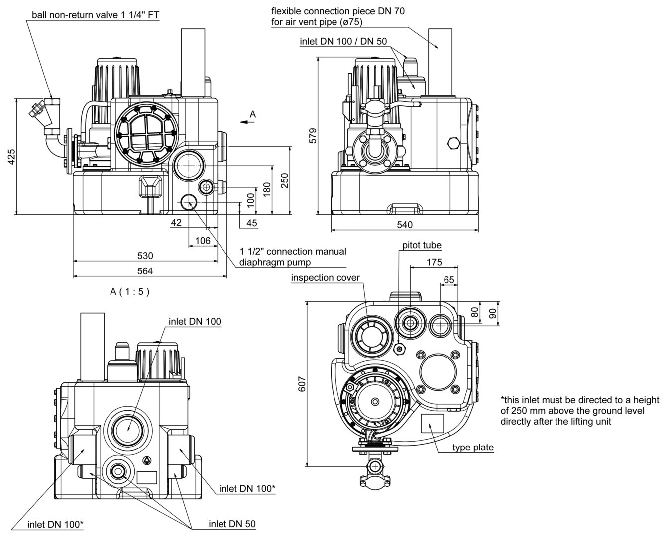
Model
- polyethylene container with 150 litres capacity and up to 80 litres switching volume
- two built-up grinder pumps with robust, adjustable cutting system made of corrosion-resistant special alloy
- two mechanical seals with intermediate oil chamber
- pressure outlet flange DN 50 with flanged connecting bend and non-return ball valve 1 1/4" FPT
- inlets: 3 x lateral DN 100 and 1 x top DN 100/150
- additional connections 1 ½“ for manual diaphragm pump
- air vent DN 70 (Ø 75mm)
- operation temperature max. 55°C
- operating mode S3 - 25%
- protection grade IP 68 - fully submersible
- Max. flow rate 17,0 m³/h
- Head up to 35,0 m
Application
- pumping of domestic sewage from single-family houses and apartment buildings for greater heads or long pressure pipes
- above-ground installation in frost-free rooms below the backflow level
Scope of delivery
- pre-assembled lifting unit with 3,5 m connection cable to the motor and 3,5 m pneumatic tube to the control
- 2 x 90° pump connecting bend DN 50
- 2 x non-return ball valve 1 1/4" FPT
- stainless steel Y-pipe DN 50/50/50 with pressure outlet flange DN 50
- flexible connection with tension clamps for ventilation pipe
- incl. ZPS2: comfortable, pneumatic level control with microcontroller, LCD plain text display for filling level, maintenance, operating hours, fault message and alarm signal in switchbox for indoor installation
Login
No reviews found. Share your insights with others.








