€5,245.00
Available in approx. 14 days, delivery time 2-4 days
Product number: 17559
Product information "Kompaktboy Doppel 1,5 D"
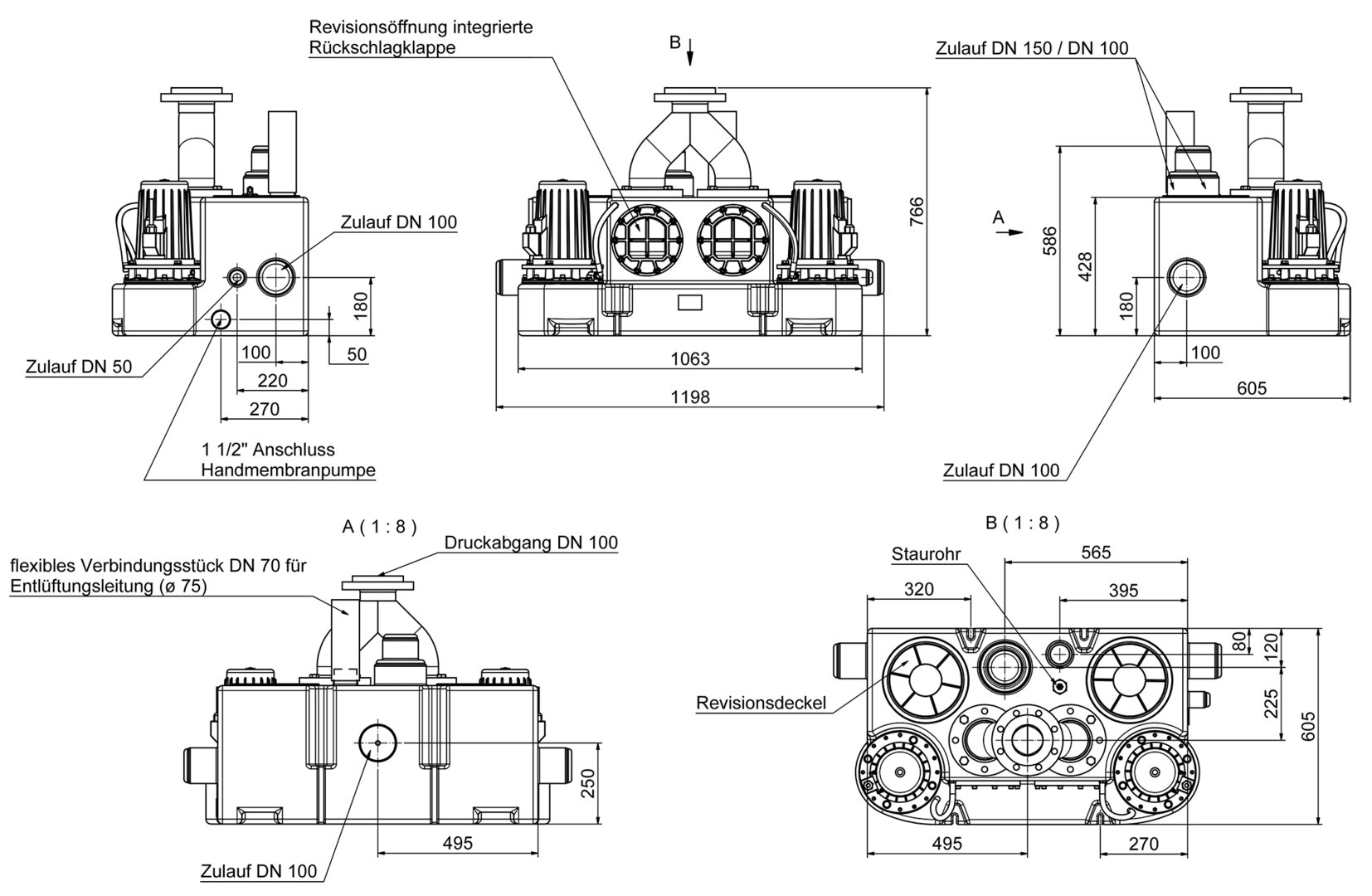
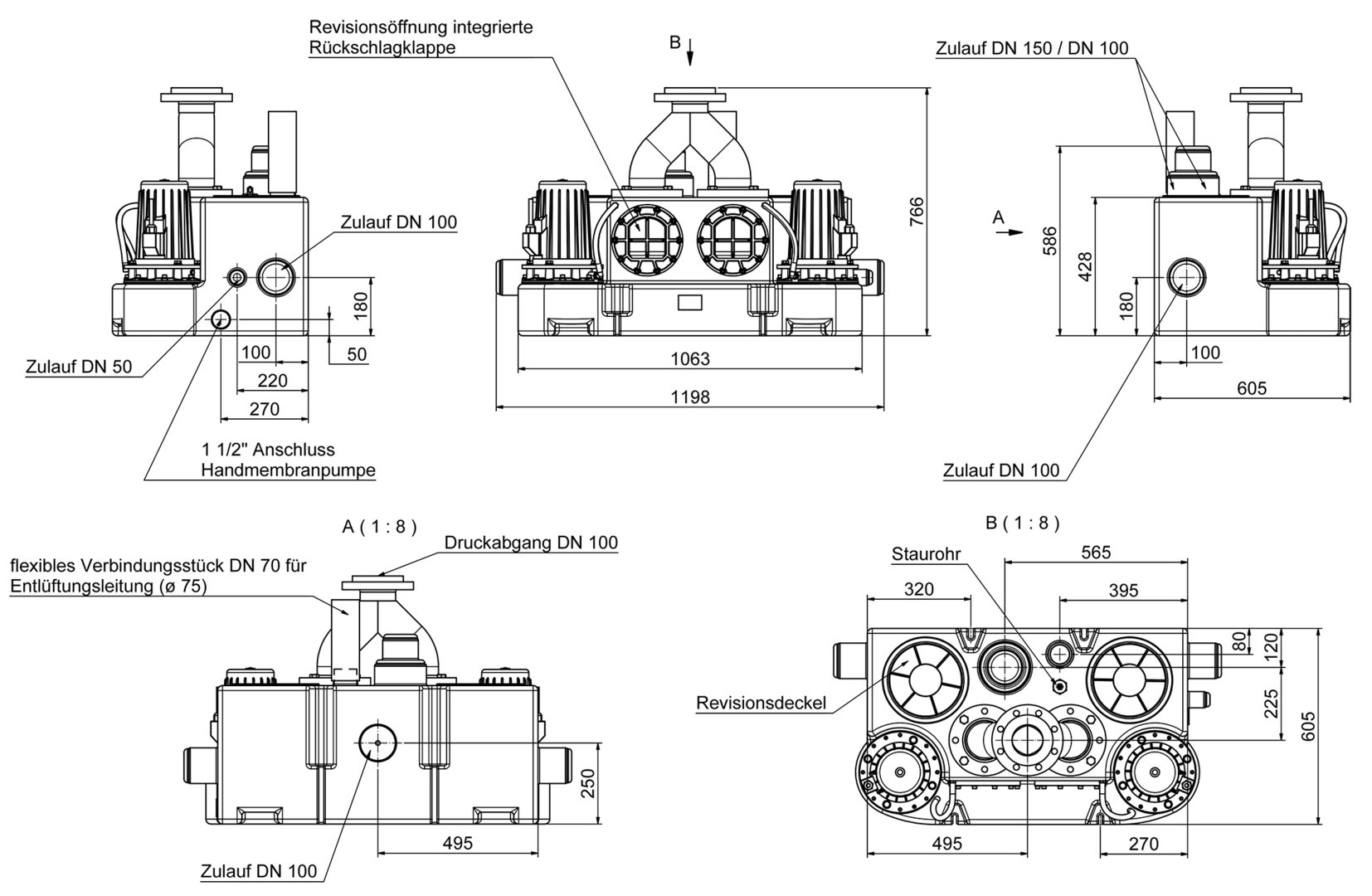
Sewage lifting unit Kompaktboy Duplex 1,5 D, 400 Volt, with comfortable level control, with high efficiency and low operation noise
Model
- polyethylene container with 150 litres capacity and up to 80 litres switching volume
- vortex pumps with high efficiency and low operation noise
- mechanical seal and shaft seal with intermediate oil chamber
- inlets: 2 x lateral DN 100, 1 x lateral DN 50, 1 x back DN 100 and 1 x top DN 50/100
- additional connections 1 ½“ for manual diaphragm pump
- air vent DN 70 (Ø 75mm)
- operation temperature max. 55°C
- operating mode S3 - 25%
- protection grade IP 68 - fully submersible
Application
- removal of domestic sewage out of single- or multi family houses
- in public institutions, where the disposal of sewage must not be interrupted
- above-ground installation in rooms protected from frost below the backwash level
Scope of delivery
- pre-assembled lifting unit with 3,5 m connection cable to the motor and 3,5 m pneumatic tube to the control with integrated non-return valves DN 100
- Y-pipe DN 100/100/100
- connection flange piece DN 100 for pressure pipe (DN 80 optional)
- flexible connection with tension clamps for pressure pipe and ventilation pipe
- incl. ZPS2: comfortable, pneumatic level control with microcontroller, LCD plain text display for filling level, maintenance, operating hours, fault message and alarm signal in switchbox for indoor installation
Login
No reviews found. Share your insights with others.







