5.286,00 €
Versandfertig in ca. 14 Tagen, Lieferzeit 2-4 Tage
Produktnummer: 17557
Produktinformationen "Kompaktboy Doppel 1,1 W"
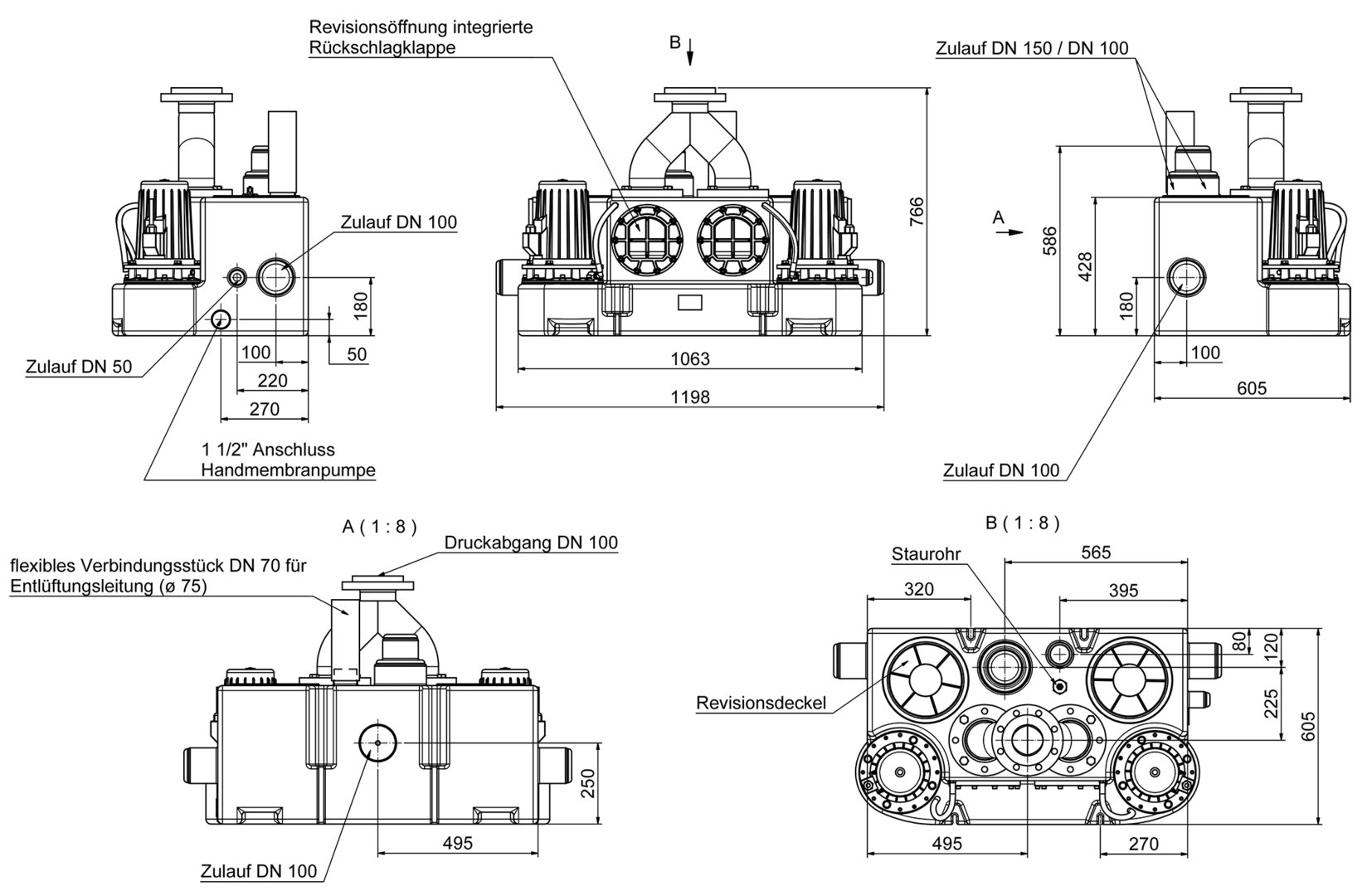
Abwasserhebeanlage Kompaktboy Doppel 1,1 W, 230 Volt, mit Komfortsteuerung, mit geringerem Energieverbrauch, als Doppelanlage zur Förderung von häuslichem Abwasser aus Ein- oder Mehrfamilienhäusern, Einrichtungen, in denen die Abwasserentsorgung nicht unterbrochen werden darf, zur Überflurinstallation in frostgeschützten Räumen unterhalb der Rückstauebene
Ausführung
- Sammelbehälter aus PE mit 150 l Inhalt und bis zu 80 l Schaltvolumen
- Freistromradpumpen mit hohem Wirkungsgrad und geringem Laufgeräusch
- Abdichtung durch Gleitringdichtung und Wellendichtring mit dazwischenliegender Ölkammer
- 2 x Druckabgang DN 100 mit integrierter Rückschlagklappe
- Zulaufanschlüsse: seitlich 2 x DN 100 und 1 x DN 50, von hinten 1 x DN 100, von oben 1 x DN 100/150
- 1 Anschluss 1½“ für Handmembranpumpe
- Entlüftung DN 70 ( Ø 75 mm)
- max. Förderguttemperatur 55°C
- Betriebsart S3 – 25%
- Schutzgrad IP 68
- freier Durchgang 50 mm
- Förderhöhe bis zu 8,1 m
- Spannung 230 Volt
Einsatzgebiete
- Förderung von häuslichem Abwasser aus einer Kellerwohnung oder einem Ein- oder Mehrfamilienhaus
- zur Überflurinstallation in frostgeschützten Räumen unterhalb der Rückstauebene
Lieferumfang
- fertig montierte Anlage mit 3,5 m Anschlusskabel zum Motor und 3,5 m Pneumatikschlauch zur Steuerung
- mit intergrierter Rückschlagklappen DN 100
- Hosenrohr DN 100/ 100 /100,
- Übergangsflanschstück DN 100 für Druckleitung
- flexible Verbindung mit Spannschellen für Druck- und Entlüftungsleitung
- ZPS2: komfortable, pneumatische Niveausteuerung mit Mikrokontroller, LCD-Klartextanzeige für Füllstand, Wartung, Betriebsstunden und Störmeldungen sowie netzabhängige Alarmanlage im Schaltkasten zur Innenraummontage
Herstellerinformationen - "Kompaktboy Doppel 1,1 W"
Anmelden
Keine Bewertungen gefunden. Teilen Sie Ihre Erfahrungen mit anderen.







